Introducción
Las bombas dosificadoras electromagnéticas tienen una sola pieza móvil: el eje del inducido. En general, cuantas menos piezas móviles tenga la bomba dosificadora, más fiable será.
* Las bombas dosificadoras electromagnéticas son ideales para aplicaciones de bajo caudal y baja presión, y ofrecen una excelente compensación de las fluctuaciones de la tensión de alimentación.
En comparación con las bombas dosificadoras de frecuencia fija y carrera variable, las bombas de carrera fija, mediante calibración, proporcionan una dosis conocida por ciclo. Por lo tanto, se puede calcular la dosis total (dosis = dosis por ciclo * frecuencia).
La dosis total es linealmente proporcional a la frecuencia (50 % de frecuencia = 50 % de dosis). El control se realiza mediante pulsos externos o control analógico.
Parámetros técnicos
| Modelo | Caudal (L/h) | Presión (bar) | Frecuencia de brazadas (veces/min) | Altura de succión (m) | Potencia (W) | Fuerza | Peso (kg) |
| -01-07- S | 1 | 7 | 120 | 2 | 25 | 220 V, 50 Hz | 2.6 |
| -02-07- S | 2 | 7 | 120 | 2 | 25 | 220 V, 50 Hz | 2.6 |
| -03-07- S | 3 | 7 | 120 | 2 | 25 | 220 V, 50 Hz | 2.6 |
| -06-0 5 - S | 6 | 5 | 120 | 2 | 25 | 220 V, 50 Hz | 2.6 |
| -09-03- S | 9 | 3 | 120 | 2 | 25 | 220 V, 50 Hz | 2.6 |
| -09-07-M | 9 | 7 | 160 | 2 | 50 | 220 V, 50 Hz | 2.9 |
| -12-07-M | 12 | 7 | 160 | 2 | 50 | 220 V, 50 Hz | 2.9 |
| -15-03-M | 15 | 3 | 160 | 2 | 50 | 220 V, 50 Hz | 2.9 |
| -20-03-M | 20 | 3 | 160 | 2 | 50 | 220 V, 50 Hz | 2.9 |
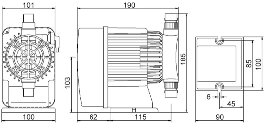
Dimensiones de instalación


Instalación
La ubicación para instalar la bomba dosificadora debe ser conveniente para su conexión con el tanque del agente químico y el punto de inyección. Gracias a su diseño impermeable y a prueba de polvo, esta bomba puede usarse en exteriores, pero no debe sumergirse en agua. Asegúrese de que la temperatura no supere los 40 °C (104 °F ), ya que de lo contrario podría dañarse.
●Instalación por inmersión (instalación ideal). (Véase la figura 1)
| |
| × | √ |
Figura 1
● Instalación por succión y elevación. Este método de instalación es preferible cuando la altura de succión es inferior a 1,5 m y la densidad de la solución no supera la del agua. Si la densidad de la solución es elevada, póngase en contacto con el fabricante. (Véase la figura 2)
Figura 2
Nota: El punto de inyección debe estar a una altura superior a la del depósito de suministro de la solución para evitar la alimentación por gravedad, a menos que exista una contrapresión adecuada en dicho punto. Se debe instalar una válvula antisifón para evitar la alimentación por gravedad.
2. Cableado eléctrico
La bomba dosificadora incluye un cable de 1,5 m de longitud. Durante la instalación, se requiere un interruptor neumático entre la bomba dosificadora y la fuente de alimentación, y el cableado especificado debe cumplir con las normativas locales de instalación eléctrica.
Nota: Asegúrese de que el circuito de alimentación esté apagado antes de realizar el cableado.
3. Cableado de control
● Bomba dosificadora manual
| La bomba dosificadora manual puede equiparse con una interfaz de control de arranque/parada remota según las necesidades del usuario. La señal de la interfaz será la señal de interruptor de contacto seco, con opciones NA o NC seleccionables. (Véase la figura 3) | Figura 3 |
● Bomba dosificadora con control de pulsos
La bomba dosificadora de control por pulsos cuenta con dos interfaces: interfaz de control por pulsos e interfaz de control de arranque/parada remota (opcional).
Interfaz de control de pulsos: La señal de interfaz es una señal de pulso activa o una señal de interruptor pasivo.
Interfaz de control remoto: La señal de la interfaz es una señal de interruptor de contacto seco, disponible opcionalmente como NA o NC. (Ver Fig. 4)
Si la fuente de alimentación del sensor para generar la señal de pulso es de 5 V CC, la bomba dosificadora puede proporcionar esta alimentación. (Ver Fig. 5)

Nota: Si la señal de pulso externa es activa, asegúrese de conectar correctamente el ánodo y el cátodo. El terminal 1 del conector de antena debe conectarse al ánodo, y el terminal 2, al cátodo. Si se invierte la conexión, la bomba dosificadora no funcionará correctamente.
● Bomba dosificadora de 4-20 mA
La bomba dosificadora de 4-20 mA tiene dos interfaces: interfaz de control de corriente e interfaz de control de arranque/parada remota (opcional).
La señal de interfaz es una señal de interruptor de contacto seco, disponible opcionalmente como NA o NC.
Interfaz de control de corriente: La señal de interfaz es estándar de 0/4-20 mA. El modo de control específico es proporcional. El coeficiente proporcional es ajustable y admite control proporcional inverso. (Véase la figura 6)
| Nota: La señal de corriente externa debe tener la polaridad correcta. El terminal 1 del conector de antena debe conectarse al ánodo, y el terminal 2, al cátodo. Si se invierte la conexión, la bomba dosificadora no funcionará correctamente. |
Figura 6 |
4. Enrutamiento de tuberías
La bomba dosificadora incluye un tubo de succión de 2 m, un tubo de desagüe de 2 m, un filtro de fondo y una válvula de inyección. El tubo de succión es una manguera transparente, con un extremo conectado al filtro de fondo y el otro a la válvula de entrada de la bomba dosificadora. El tubo de desagüe es una manguera blanca semitransparente, con un extremo conectado a la válvula de salida de la bomba dosificadora y el otro a la válvula de inyección. Antes de conectar el tubo de desagüe a la válvula de salida, se recomienda inyectar una pequeña cantidad de agua en esta última para reducir el tiempo de descarga. (Véase la figura 7)
Puesta en marcha y comisionamiento
1. Puesta en marcha de la bomba dosificadora manual
Distribución de los botones e indicadores del panel de la bomba dosificadora manual. (Véase la figura 8) Indicador de encendido: Indicador de encendido Indicador: Indicador de funcionamiento. Inicio/Parada: Botón de encendido/apagado. Botón de incremento numérico Botón de disminución numérica ● Encienda la bomba dosificadora siguiendo las instrucciones correspondientes. El indicador de encendido se iluminará. Pulse el botón de Inicio/Parada para que la bomba dosificadora comience a funcionar. La frecuencia que se muestra en el panel es la frecuencia de funcionamiento de la bomba. Si el último bit «H» del tubo nixie parpadea, indica que la bomba está parada; si no parpadea, indica que está funcionando. ● Al pulsar △ o ▽ se puede ajustar el caudal de salida de la bomba dosificadora. | Figura 8 |
2. Puesta en marcha de la bomba dosificadora de pulsos
Distribución de los botones e indicadores del panel de la bomba dosificadora de pulsos. (Véase la figura 9) Indicador de encendido: Indicador de encendido Indicador: Indicador de funcionamiento. Inicio/Parada: Botón de encendido/apagado. AJUSTE: Botón de función. A/M: Botón de cambio manual/automático. Botón de incremento numérico Botón de disminución numérica | Figura 9 |
Encienda la bomba dosificadora siguiendo las instrucciones correspondientes. El indicador de encendido se iluminará. Pulse el botón de Inicio/Parada para que la bomba comience a funcionar. La frecuencia que se muestra en el panel es la frecuencia de funcionamiento de la bomba. Para cambiar entre los modos de funcionamiento, mantenga pulsado el botón A/M durante 3 segundos. El último bit «H» del tubo nixie indica el modo manual; si parpadea, indica que la bomba está parada; si no parpadea, indica que está funcionando.
●Consulte 4.1 para la configuración manual de parámetros.
●Cuando la bomba dosificadora está en modo automático, el caudal se puede ajustar según la frecuencia de pulsos introducida externamente.
●Esta serie de bombas dosificadoras cuenta con funciones de división y multiplicación de frecuencia. En modo automático, al pulsar los botones “ADJ” y “A/M” se accede al menú de funciones de división y multiplicación de frecuencia:
Primer parámetro mostrado: 0011 Factor de multiplicación
Pulse Inicio/Parada para entrar:
Visualización del segundo parámetro: 0012 Factor de división
Pulse el botón de Inicio/Parada para regresar:
Prensado
o
para cambiar el factor de conjunto.
Nota: La frecuencia máxima permitida para la señal de pulso externa es de 200 Hz. Para la señal de pulso activa, el rango de voltaje de nivel alto es de 1,5 a 2,4 V. Conectar una señal que no coincida con la bomba dosificadora puede dañarla, y dichos daños no están cubiertos por la garantía del fabricante.
3. Puesta en marcha de la bomba dosificadora de 4-20 mA
Distribución de los botones e indicadores del panel de control de la bomba dosificadora de 4-20 mA. (Ver figura 9)
Indicador de encendido: Indicador de encendido
indicador: Indicador de funcionamiento
Inicio/Parada: Botón de encendido/apagado
ADJ: Botón de función
A/M: Botón de cambio manual/automático
Botón de incremento numérico
Botón de disminución numérica
Encienda la bomba dosificadora siguiendo las instrucciones correspondientes. El indicador de encendido se iluminará. Pulse el botón de Inicio/Parada para que la bomba comience a funcionar. La frecuencia que se muestra en el panel es la frecuencia de funcionamiento de la bomba. Puede cambiar entre los modos de funcionamiento manteniendo pulsado el botón A/M durante 3 segundos. El último bit «H» del tubo nixie indica el modo manual y la « P » el modo automático. Si el último bit parpadea, indica que la bomba está parada; si no parpadea, indica que está funcionando.
●Consulte 4.1 para la configuración manual de parámetros.
●Cuando la bomba dosificadora está en modo automático, el flujo se puede ajustar automáticamente dependiendo de la señal de 4-20 mA ingresada externamente.
●En modo automático, al presionar simultáneamente los botones “ADJ” y “A/M” se puede acceder al menú de funciones de división y multiplicación de frecuencia:
Primer parámetro mostrado: 0041 Corriente de control de arranque 4 mA
Pulse Inicio/Parada para entrar:
Visualización del segundo parámetro: 0202 Corriente de control final 20 mA
Pulse Inicio/Parada para entrar:
Visualización del tercer parámetro: 0003 Frecuencia correspondiente a la corriente de control de arranque
Pulse Inicio/Parada para entrar:
Visualización del cuarto parámetro: 1204 Frecuencia correspondiente a la corriente de control final
Pulse el botón de Inicio/Parada para regresar.
Prensado
o
para cambiar el factor de conjunto.
●Cuando el valor establecido del tercer parámetro es mayor que el del cuarto parámetro, la bomba dosificadora puede realizar un control proporcional inverso.
Mantenimiento rutinario
●Compruebe periódicamente el estado de funcionamiento de la bomba. Compruebe si se produce algún fenómeno como ruidos anormales, vibraciones/caudal/presión excesivos o temperaturas bajas/altas [si la bomba funciona siempre a la máxima velocidad de desplazamiento, la temperatura de la carcasa puede alcanzar hasta 160 ℃ (70 °F)].
Para un rendimiento óptimo, la válvula antirretorno debe reemplazarse cada 4 a 6 meses. En ciertas aplicaciones, puede ser necesario un cambio más frecuente. Si la vida útil del asiento y la bola de la válvula se acorta repetidamente o envejecen rápidamente , verifique si el material de los componentes actuales es adecuado para la aplicación. Para cualquier consulta, póngase en contacto con el fabricante.
● Compruebe los conectores para detectar posibles fugas o el deterioro de las tuberías. En caso afirmativo, tome las medidas necesarias, como apretar los conectores o sustituir los componentes cuando sea preciso.
● Limpie cualquier suciedad o residuo de la bomba, ya que dichas sustancias pueden ser aislantes térmicos y provocar temperaturas excesivamente altas.
● Si la bomba ha estado sin usar durante más de un mes, limpie el cabezal y la válvula. Para limpiarla, bombee agua limpia durante unos 30 minutos. Si después de la limpieza la bomba sigue sin funcionar correctamente, será necesario sustituir la válvula de inserción.
Fallos comunes y soluciones
| Descripción de la falla | Causa | Solución |
| No se puede realizar el llenado automático de la bomba. | Fuga de aire en el extremo de succión | Compruebe que las juntas del extremo de succión estén en buen estado y sustituya la junta tórica cuando sea necesario. |
| La altura de succión del fluido de la bomba es demasiado alta. | Reduzca la altura de instalación de la bomba. |
| viscosidad y densidad del medio excesivamente altas | Instalación de inmersión adoptada |
| Presión excesivamente alta en la salida | Válvula de escape abierta |
| Obstrucción del filtro de la válvula inferior | Limpie el filtro |
| Caudal demasiado bajo | La presión nominal de la bomba es inferior a la presión del sistema. | Sustituya la bomba por una bomba dosificadora de presión adecuadamente superior. |
| Mal sellado de la válvula unidireccional | Limpie o reemplace la válvula unidireccional |
| Válvula inferior y válvula de inyección bloqueadas | Limpie la tubería de entrada o salida. |
| Resorte del electroimán roto | Reemplázalo por uno nuevo. |
| viscosidad media demasiado alta | Sustituya la bomba dosificadora por una nueva ; póngase en contacto con el fabricante. |
| Flujo excesivo | Acción de sifón | Añadir una válvula antisifón a la tubería de salida |
| La presión en el punto de inyección es mucho menor que la presión nominal de la bomba. | Sustituya la bomba por una bomba dosificadora de pequeño caudal. |
| La bomba no funciona | El indicador de encendido no está encendido. | Problema de suministro eléctrico | Comprobar el circuito de alimentación |
| Se quemó el fusible incorporado del panel de control de la bomba. | Reemplace el fusible |
| El indicador de funcionamiento no está encendido. | El componente del panel de control se quemó. | Reemplace el panel de control |
| El indicador de funcionamiento normalmente está encendido. | El componente del panel de control se quemó. | Reemplace el panel de control |